We offer FREE DFM analysis and review your design early to ensure it’s optimized for manufacturing.

Design for Manufacturing (DFM) Analysis

Get A Quote

INTRODUCTION

What is DFM analysis

Computer monitor displaying a 3D simulation of a mold flow anaylsis with colorful heatmap analysis on an electronic device or circuit board in a laboratory or office setting. We offer FREE DFM (design for manufacturing) analysis

Design for Manufacturing (DFM) analysis is the process of reviewing a product’s design to ensure it can be efficiently produced using real-world materials, processes, and equipment. It aligns the design with manufacturing capabilities by evaluating key factors such as part geometry, wall thickness, material selection, tolerances, assembly methods, and how the design will interact with tooling, ensuring that features can be molded, machined, or assembled without unnecessary complexity.

Why DFM Matters

A well-executed DFM review can make the difference between a smooth project launch and unexpected delays or quality issues.

Improved Manufacturability

We assess if part geometry suits manufacturing, including draft angles, wall thickness, and undercuts.

Line drawing of a financial report with a 3D cube, dollar sign, bar chart, and line graph.

Assembly Compatibility

For multi-component products, we review how parts will fit and interact during assembly. This includes alignment features, fastening methods, and tolerance stack-up..

A factory production line with boxes moving on a conveyor belt and a graph with a gear symbol representing manufacturing or industrial growth.

Cost Optimization

Consolidating parts or simplifying tool paths can reduce tooling and production costs without compromising function or aesthetics.

Diagram of a wireless network with four interconnected cubes and a Wi-Fi signal icon at the center.

Tooling Efficiency

We analyze part interaction with molds or fixtures to ensure proper flow, ejection, cooling, and machinability, improving tool life and cycle times.

A clock icon with a partial gear shape on the right side.

Fewer Design Iterations

By identifying potential production issues early, DFM helps reduce the need for multiple rounds of design changes, saving both time and development costs.

Outline icon of a gear, document, and downward arrow representing setting, documentation, or data processing

Material Suitability

We provide guidance on material selection based on performance, appearance, cost, and processes, ensuring the right match between design and manufacturing.

Line drawing of a brick wall, a barrel, and stacked logs with circles at the bottom, possibly representing a rustic scene or fireplace setup.

Ready to optimize your design?

We offer free DFM analysis to help you improve manufacturability before production begins.

Contact Us

Our Process

We follow a collaborative, engineering-led process to help you turn your design into a production-ready solution.

Step 1. Submit Your Design 

You send us your CAD files or technical drawings to get started.

Computer monitor displaying a checklist with three items, on a desk.
Three upward arrows stacked vertically, each in a different color: gray, yellow, and teal, on a black background.

Step 2. Free DFM & Feasibility Review 

Our engineering team performs a detailed DFM analysis and evaluates manufacturability at no cost.

Icon of a document with text lines and a magnifying glass focusing on a pie chart.
Four downward-pointing check marks arranged vertically in teal, yellow, light gray, and white colors on a black background.

Step 3. Feedback & Recommendations

We provide annotated drawings, design suggestions, and risk assessments related to molding, assembly, or materials.

Line drawing of an award ribbon or badge.
Three upward pointing arrows in grey, yellow, and teal stacked vertically.

Step 4. Prototype Sampling (Optional)

If needed, we produce samples to validate critical dimensions, fit, or performance before tooling.

Three test tubes with liquid and a check mark in a circle above them.

Three checkmarks stacked vertically on a black background, in teal, yellow, and gray colors.

A Value-Added Service, Always Free

ENGINEERING SUPPORT

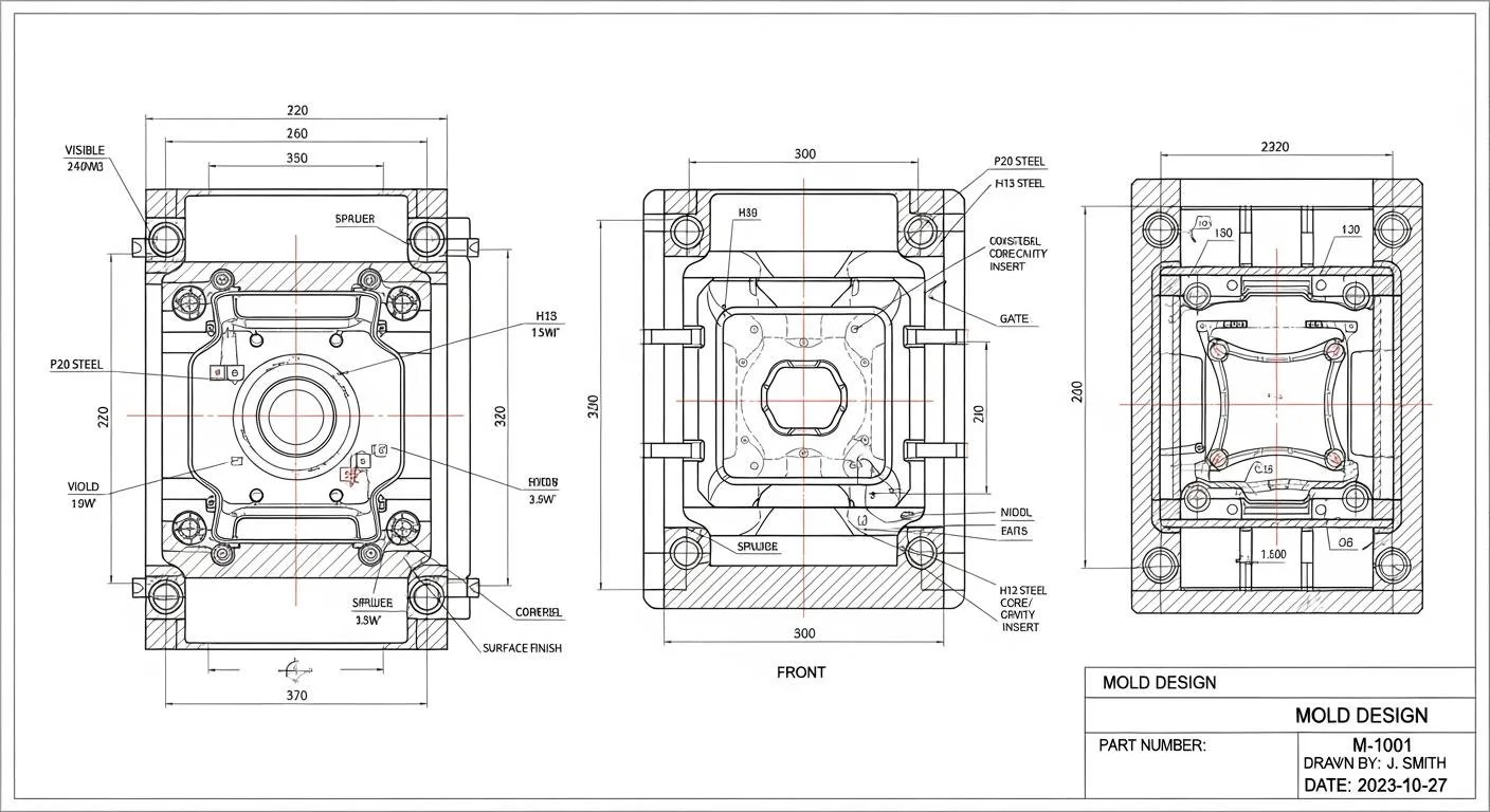
Technical drawing of a mold assembly showing multiple views with dimensions, labels, and annotations.

Unlike some manufacturers who charge for engineering support, we view DFM analysis as a vital part of our partnership. It helps us build better tools, reduce trial-and-error cycles, and deliver consistent quality from the first run.

Whether you’re launching a new product or improving an existing one, our DFM expertise supports faster approvals, smoother production, and better long-term results.

Get A Quote